|

Ò»¡¢HZQ53 three-step automatic transfer switch (20-5000) A
1.Main circuit contact beside Power A
2.on-off indicator of power
3.option button
4.trip button
5.operating square shaft for manual switchover
6.nameplate
7.operating power terminal
8.input circuit
9.main circuit terminals beside the load
10.main circuit terminals beside power B
11.automatic switch
12.Arc Extinguish Chamber
¶þ£®HZQ52 three-step automatic transfer switch (20-5000) A 1.Main circuit contact beside Power A
2.on-off indicator of power
3.operating square shaft for manual switchover
4.nameplate
5.operating power terminal
6.input circuit
7.main circuit terminals beside the load
8.main circuit terminals beside power B
9. Arc Extinguish Chamber
10.automatic switch
Èý¡¢Features of ATS switch Reliable mechanical interlock: The unique eccentric selective structure makes sure one power supply to work and there is any possibility of two power sources connecting the load at the same time.
Excellent arc extinction: all kinds of abnormal arc can be extinguished safely, and the electric arc lasts for short time with less wear of the contact.
Multiple-piece main arcing contact: increasing the contact terminal¡¯s area of surfa ce in contact and contact pressure. The superheat and welding won¡¯t happen; the life of contact can be prolonged.
Rapid switchover: it can switch rapidly between main power and standby power and the switching-time delay of ATS equipped with controller can be set by users.
Simple structure and small size: stable running, low breakdown rate, convenient installation, usage and maintenance. Slow operation by rotating the handle while maintaining in order to check and eliminate malfunction.
HZQ5 ATS belongs to PC type. Its cubage is smaller than that of CB type, but its ampere rating is more than that of PC type.
Neutral point¡¯s position: HZQ53 three-step switch can switch over in switch-on regime and stay momently in the neutral point so that it is convenient for users to overhaul the load circuit(residence time shouldn¡¯t exceed several minutes.) HZQ52 two-step type couldn¡¯t stay in the neutral point.
Multifunctional controller: Liquid crystal display and digital dynamic supervisory control display supply voltage and current, and control the transfer switch to finish switchover as required among main power, standby power and neutral point under the circumstance of over-voltage, over low voltage, loss-of-voltage, and non-full-phase.
ËÄ¡¢product model and meaning 1¡¢The model and meaning of products are as follows:

1¡¢HZQ52 is two-step automatic transfer switch. When receiving the change-over signal, the switch won¡¯t stop in the middle splitting point and transfer rapidly from one power to another power and its ampere rating is only 20A-500A.
HZQ53 is three-step automatic transfer switch. It can transfer instantly (or after a predetermined time delay) from one power to anther power after receiving the change-over signal. It can also transfer to the middle splitting point disconnected with other power supplies. Its ampere rating is 20A-5000A.
2¡¢HZQ5 series of switches is PC type.
3¡¢Other electric switches of other standards belong to special supply such as rated operational current is 660v/690v, DC is 125v/250v; control voltage is 380v/400v/100v 270v; DC is 125v/250v and so on. Users 4¡¢should specify when ordering.
5¡¢The switches below 500A should be generally connected in front and the switches above 630A should be connected at back. The others belongs be special supply.
Îå¡¢ Parameters of HZQ53 three-step transfer switch.
Áù£® The parameters of HZQ52 two-step transfer switches.
Notes: when the DC works, its structure of loop is almost as same as that of AC, and only a small part is different. Please operate as t he orders of AC operations.
The weight in the chart is for reference only.
Pole N contacts ¡®capacity of these products with 4000A and 5000A is relatively 2000A,2500A.
Values of rated short time withstand current, operational current, and tipping current are for reference only.
Æß¡¢Normal working condition and installation condition
(1) When the DC works, its structure of loop is almost as same as that of DC, and only a small part is different. Please operate as the orders of DC operations.
(2)The outlines and sizes of these three different currents---80A/100A/125A are same as that of HZQ53 three-step transfer switches in the same standard.
The outlines and sizes of these four different currents---160A/200A/225A /250A are same as that of HZQ53 three-step transfer switches in the same standard.
The outlines and sizes of these three different currents---350A/400A/500A are same as that of the HZQ53 three-step transfer switches in the same standard.
(1).Ambient temperature: -5¡Í - +40¡Í; the average value within 24h shall not exceed +35¡Í. (it can be extended not higher than +55¡æ and not lower than -25¡æ according to users¡¯ orders)
(2). Altitude of installation place shall not exceed 2000m.
(3). Atmospheric Condition: Relative humidity at +40¡Í shall not exceed 50%. Higher humidity is permissible at lower temperature condition. When the highest monthly average relative humidity is 90% in the humiddest month, the lowest monthly average temperature of this month is +25¡Í. And the influence of dew on product surface due to temperature changes should be taken into consideration.
(4). Pollution grade: complying with required grade iii of GB/t14048.1.
(5).Installation type: electrical switch¡¯ installation should accord with required grade iii of GB/14048.1.
Transfer controller¡¯s installation should accord with required grade ii of GB/14048.1
(6) Installation condition: electrical switches and transfer controller can be installed vertically or horizontally in specified control cabinet and distributor cabinet.
(7) Protection grade: the shell protection of electric switches accord with the grade 20 of GB4208 IP
The shell protection of transfer controller accords with the grade 30 of GB4208.
(8) Using sorts:
|
main power circuit |
AC-33B occasional operation |
motor load or including motor£¬resistive load mixed load with the load of 30% incandescent lamp |
|
auxiliary circuit and transfer control circuit |
AC-15 DC-13 |
control AC electromagnet load exceeds 75V£¬control DC electromagnet load |
(9)control circuit:
Rated voltage of control circuit is 220V/250V/50HZ. The voltage of control circuit should accord with the working voltage of transfer controller. Its working range: 85% Uc¨QUs¨Q110%Uc.
The transfer controller will give conversion instructions when the following happens:
A disconnection of any phase power or loss of voltage.
B low voltage: voltage from 180V-230v can be set in a random manner
C over voltage: voltage from 220V-250v can be set in a random manner
When delivered, the rated working current is 220V, and its transfer voltage is low voltage 180V and over voltage is 250V
(10)auxiliary circuit:
The auxiliary contact of auxiliary circuit, whose structure is separable, is 4 NO and 4 NC.£¨The rated value of the auxiliary is shown in table 5£©
|
Ith A |
rated insulation voltage V |
rated working current |
|
10 |
400 |
AC400 |
DC200 |
|
|
|
3 |
0.2 |
abnormal disconnection of auxiliary breaking capacity is shown in table 6
|
Using sorts |
connection |
breaking |
operation frequency and numbers of cycling |
|
|
1/le |
U/ue |
Cos and t0.95 |
1/le |
U/ue |
Cos and t0.95 |
numbers of cycling |
operation frequency |
electrical running time S |
|
AC-15 |
10 |
1.1 |
0.3 |
10 |
1.1 |
0.3 |
10 |
2 |
¡Ý 0.05 |
|
DC-13 |
1.1 |
1.1 |
6pe |
1.1 |
1.1 |
6pe |
|
|
|
|
notes£ºthe upper limit T0.95¡Ö6Pe¨Q300Ms.the electrical running time of DC¡ª¡ª13 is T0.95 at least when T0.95 ¨R 0.05S. |
|
Coordination of auxiliary contact and SCPD.
Series connection of auxiliary contact and fuse in inductive testing circuit whose rated working current is 1.1 times and power factor is between 0.5-0.7 can bear the evaluation of passing anticipated short-circuit current 1000A in the fusing time.
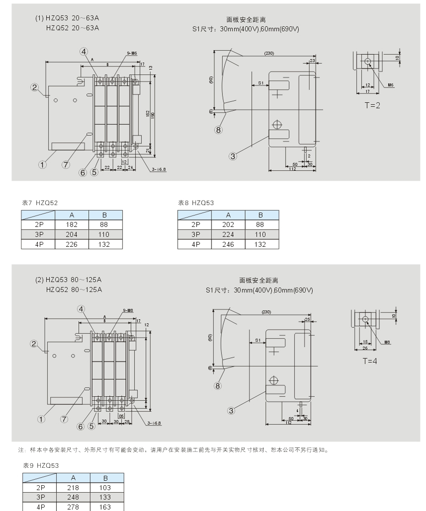
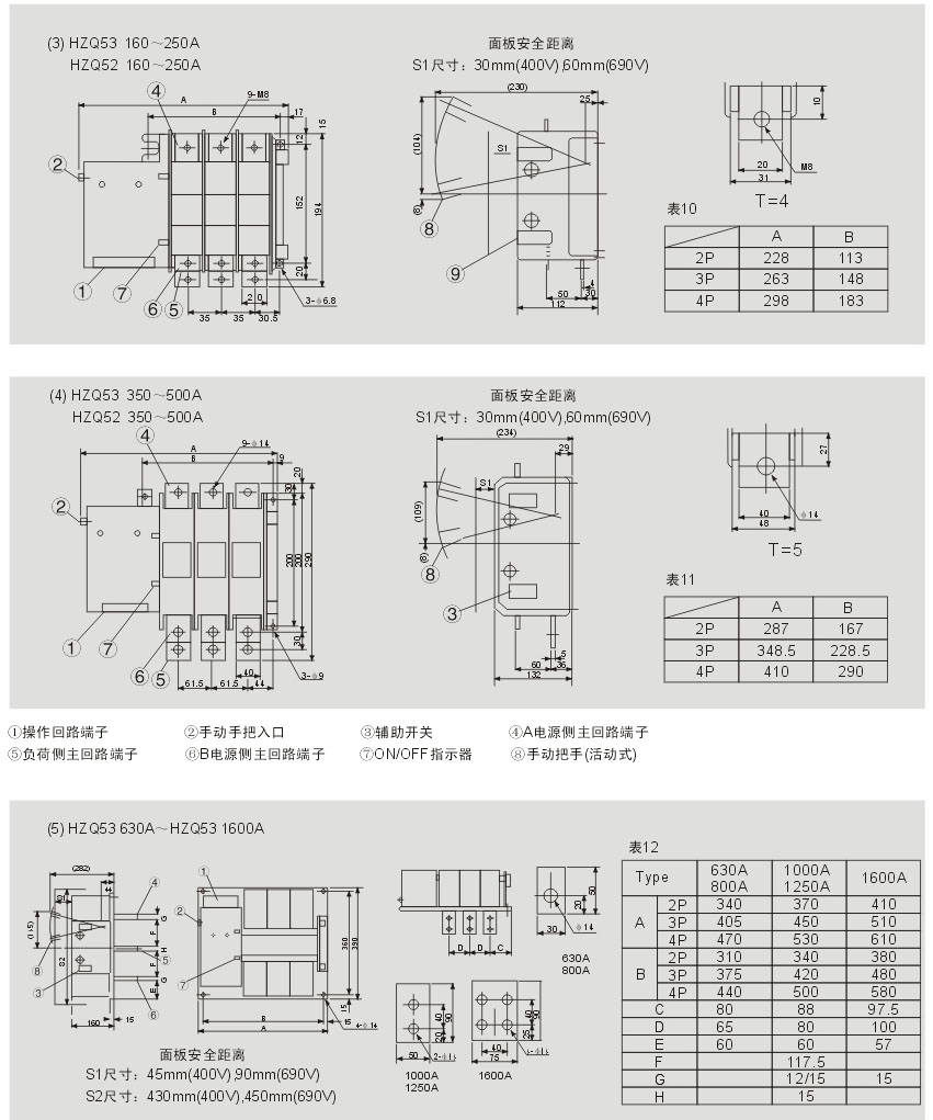
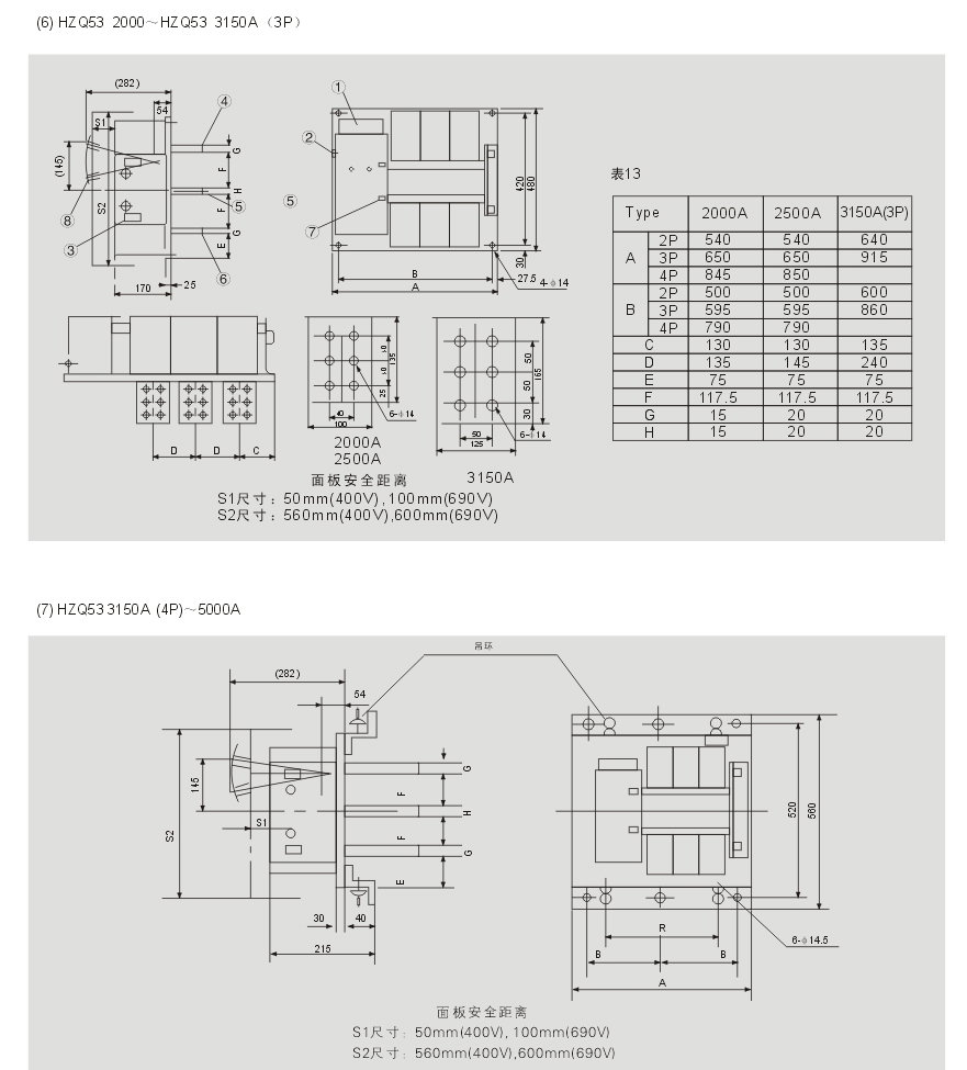
°Ë£®size of outline and installation

¾Å¡¢type and meaning of products


3150A(4P),4000A and 5000A automatic transfer switches are equipped with four hoist rings. It is necessary to check whether hoist rings has been tightened up to installation rail and make sure that the bearing capacity of rope cannot be less than 500kg before craning. What¡¯s more, it is obligatory to make certain switch¡¯s centre position of gravity lest some major accidents such as side-turn slide, etc happen because of the inaccurate command of the center of gravity.



|